Product Summary
The RD60HUF1 is a MOS FET type transistor specifically designed for UHF High power amplifiers applications. The device is suitable for output stage of high power amplifiers in UHF Band mobile radio sets.
Parametrics
RD60HUF1 absolute maximum ratings: (1)VDSS, Drain tosource voltage: 30 V; (2)VGSS, Gateto source voltage: +/-20 V; (3)Pch, Channel dissipation: 150 W; (4)Tj, Junction Temperature: 175℃; (5)Tstg, Storage temperature: -40 to +175℃; (6)Rth-c, Thermal resistance: 1.0℃/W.
Features
RD60HUF1 features: (1)High power and High Gain: Pout>60W, Gp>7.7dB @Vdd=12.5V,f=520MHz; (2)High Efficiency: 55%typ.on UHF Band.
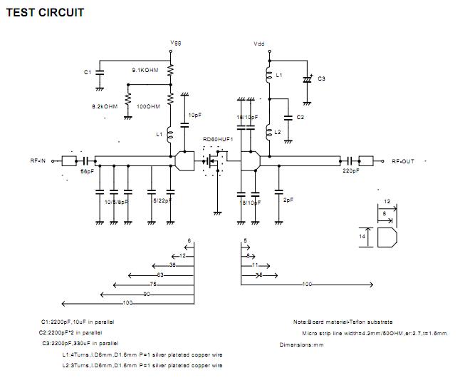
Diagrams

| Image | Part No | Mfg | Description | ![]() |
Pricing (USD) |
Quantity | ||||
|---|---|---|---|---|---|---|---|---|---|---|
![]() |
![]() RD60HUF1 |
![]() Other |
![]() |
![]() Data Sheet |
![]() Negotiable |
|
||||
| Image | Part No | Mfg | Description | ![]() |
Pricing (USD) |
Quantity | ||||
![]() |
![]() RD60HUF1 |
![]() Other |
![]() |
![]() Data Sheet |
![]() Negotiable |
|
||||
(China (Mainland))









